浙江宇之航科技工程有限公司
首页
企业简介
产品大全
联系我们
企业信息
在线留言
当前位置:
首页
>
产品大全
>
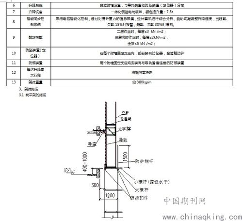
附着式升降脚手架 新型智能爬架 的特点
附着式升降脚手架 新型智能爬架 的特点
如若转载,请注明出处:http://www.ya-zhuo.com/product/73.html
更新时间:2025-12-16 17:56:47
产品列表
PRODUCT
《附着式升降脚手架安全技术规程》专家深度解读 一文理清爬架全过程
全面解析附着式升降脚手架安全技术与管理 装置、星轮与坠落防护
附着式升降脚手架重大事故隐患的判定标准
关于加强建筑施工附着式升降脚手架安全管理的通知
全面观摩优质工程 附着式升降脚手架的学习与思考
附着式升降脚手架 建筑施工热点推荐与注意事项
南平市自行曲臂式升降车出租价格与附着式升降脚手架选择——宏信建发专业服务指南
做好这12个细节,附着式升降脚手架(爬架)施工无忧,监理甲方无话可说
爬架的优势、功能及采购注意事项——行业人士必读
禹州一季度累计完成项目投资112.9亿元,附着式升降脚手架助力建筑业高质量发展